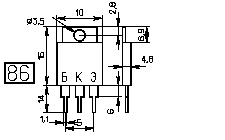
2Т709, 2Т716 |
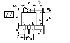
2Т709-2, 2Т716-1, КТ723, КТ724, КТ805-М, КТ818, 2Т818-2, КТ819, 2Т819-2, 2Т825-2, КТ835, 2Т837, КТ840-1, КТ896, КТ899 |
КТ801 |
КТ807 |
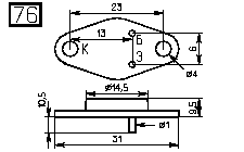
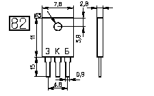
КТ802, КТ803, КТ805, ГТ806, КТ808, КТ809, ГТ813, КТ902, КТ903, КТ908 |
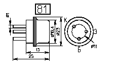
ГТ810, 1Т905, ГТ906 |
КТ601-М, КТ602-М, КТ604-М, КТ605-М, КТ611-М, КТ639, КТ644, КТ646, КТ807-М, КТ814, КТ815, КТ816, КТ817, КТ902-М, КТ940, КТ943, КТ961, КТ969, КТ972, КТ973, КТ9115, КТ9157 |
КТ820-1, КТ821-1 |
КТ822-1, КТ823-1 |
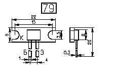
КТ617, КТ618, 2Т630, 2Т632, КТ633, 2Т635, 2Т638, 2Т653, 2Т830, 2Т831, 2Т836, 2Т860, 2Т861, 2Т880, 2Т881, 2Т888, КТ325, 2Т928, 2Т933, 2Т941, 2Т968, 2Т974, КТ9141, КТ9143 |
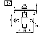
КТ712, КТ829, 2Т841-1, 2Т842-1, КТ850, КТ851, КТ852, КТ853, КТ854, КТ855, КТ856-1, КТ857, КТ858, КТ859, КТ863, КТ882, КТ883, 2Т884, КТ8109, КТ997, КТ9120 |
2Т862Б-Г, 2Т866, 2Т874 |
КТ606, КТ904, КТ907, КТ914, КТ921 |
ГТ905, ГТ906-М |
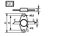
КТ909 |
