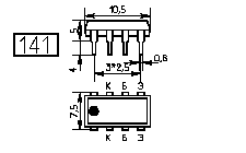
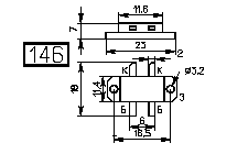
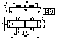
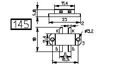
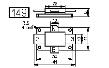
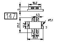
Цоколевки транзисторов 136 — 150 Автор: admin | 07.07.2010 Нет комментариев 198НТ5, 198НТ6, 198НТ7, 198НТ8 КР198НТ1-4 КР198НТ5-8 ГТС609 КТС613, КТС631 КР159НТ1, КТС3103-1 2ТС843 КТС398-94 КТ9147-С 2Т9153-С КТ9142 КТ9150 КТ9151, КТ9152 КТ9160 КТ117-М Просмотры: 137 0