Оксидные конденсаторы обладают неприятным свойством терять емкость — «высыхать», что является одной из основных причин отказов радиоаппаратуры, находящейся в длительной эксплуатации. Предлагаю схему прибора для измерения емкости конденсаторов. Прибор позволяет измерять емкость на пяти поддиапазонах:
1. 0,1...3,1 ±0,1 мкф;
2. 1,0...31 ±1 мкф:
3. 3.10...310 ±10мкФ;
4. 4. 100...3100 ±100мкФ;
5. 5.1000...31000 ±1000мкФ.
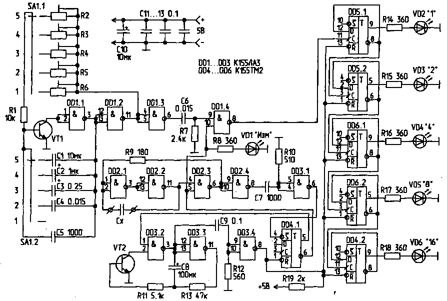
Принципиальная схема приведена на рис.1. На транзисторе VT1 и микросхеме DD1 собран генератор эталонных частот. Генератор работает постоянно, и при высоком уровне на выводе 10 DD1.4 импульсы эталонной частоты поступают на пятиразрядный двоичный счетчик DD5, DD6, DD4.2. Информация о количестве поступивших на вход счетчика (вывод 11) DD5.1 импульсов отображается светодиодами VD2…VD6 в двоичном коде.

На элементах DD2 и DD3.1 собран второй генератор, импульсная последовательность которого формируется с участием конденсатора Сх, емкость которого необходимо измерить. Высокий уровень на выводе 5 DD2.3 разрешает его работу.
На VT2, DD3.2, DD3.3, DD3.4 собран генератор импульсов индикации. В течение одного периода собственных колебаний этого генератора информация на счетчик не поступает, счетчик индицирует свое состояние, светодиод VD1 «Измерение» погашен.
В качестве переключателя режима измерение/индикация используется RS-триггер DD4.1. Переключается триггер по входу R импульсами с генератора индикации, по входу S — импульсами с генератора Сх. Временные диаграммы работы схемы приведены на рис.2.

В зависимости от предполагаемой емкости Сх, переключателем SA1 выбирается определенная частота генерации, подстраиваемая резисторами R2…R6. Если емкость Сц точно равна верхнему пределу измерений на любом из поддиа-пазонов, то количество импульсов, поступивших на счетчик, должно быть равно 31 (полная емкость счетчика). При меньшем значении Сх количество импульсов, поступивших на счетчик, будет соответственно меньше.
Пусть измерение ведется на 5-м под-диапазоне. Светодиоды высветили код 1, 4,16. В этом случае емкость определяется так:
Сх=(1+4+16)x1000=21000 (мкФ).
Погрешность измерения на этом под-диапазоне составляет ±1000 мкф. Если данная точность недостаточна, необходимо провести еще одно измерение на 4-м поддиапазоне. В этом случае счетчик будет работать с переполнением:
21000:3100=6
и 24 в остатке (31 100 — шаг измерения на 4-м поддиапазоне). Остаток будет высвечен числами 8, 16.
Сх=(31×6+8+16)x100=21000±100(мкФ).
Если нет ошибок в монтаже, настройка прибора сводится к его калибровке. Начинать нужно с 5-го поддиапазона.
Сначала надо подключить к гнездам Сх конденсатор емкостью в несколько десятков тысяч микрофарад. Его лучше составить из нескольких конденсаторов, включенных параллельно. Вместо подстро-ечного резистора R2, временно впаять переменный с номиналом 100…200 кОм и добиться показаний счетчика, соответствующих емкости подключенного конденсатора. Измерить сопротивление резистора и заменить его последовательно соединенными постоянным и подстро-ечным (величина подстроечного должна быть примерно 1/3 необходимого номинала). Уточнить величину подстроенного резистора подключением С, других номиналов.
Данные операции следует проделать на остальных поддипазонах. Время индикации устанавливается подбором R13.
Для четкой работы прибора необходим хороший источник питания, в котором емкость фильтрующего конденсатора в выпрямителе после диодного моста должна быть не менее 2000 мкф. Хорошие результаты получаются если в стабилизаторе использовать микросхемы серии 142.

Рисунок печатной платы приведен со стороны печатных проводников (рис.3). Перемычки помечены штриховой линией. Детали расположены с противоположной стороны платы, значком «х» помечены выводы деталей, припаянные к общему проводу, разводка которого не приведена. В приборе использованы микросхемы серии 155, применение менее энергоемких серий нежелательно. Это потребует переработки схемы. Транзисторы — КТ315, светодиоды — АЛ102, АЛ307. При разработке прибора основным критерием была простота. Двоичные счетчики можно заменить десятичными на ИМС К155ИЕ2, дополнив их соответствующими дешифраторами и индикаторами, но конструкция заметно усложнится. С1, С2 — К52, К53; СЗ, С4, С5 — МБМ, К73, KM [3]. Остальные детали — любого типа с допуском ±20%. SA1 — галетный или П2К. На свободных местах платы установлены С1…С4, R2…R6. Из разводка не приведена, так как они могут иметь иные размеры, чем у автора. Оветодиоды впаиваются так, чтобы при установке платы они выступали на лицевой панели. В качестве гнезд для С использованы одиночные розетки от разъемов ШР.
Литература
1. Конструкции советских и чехословацких радиолюбителей. — М.: Радио и связь, 1987.
2. Овечкин М.А. Любительские телевизионные игры.-М.: Радио и связь, 1985.
3. В помощь радиолюбителю: Сборник. Вып.109.-М.: Патриот, 1991.
4. Мальцев Л.А. и др. Основы цифровой техники. — М.: Радио и связь, 1987.
В.КАЛЕНДО, г.Минск.
(РЛ 2-99)
